资讯分类
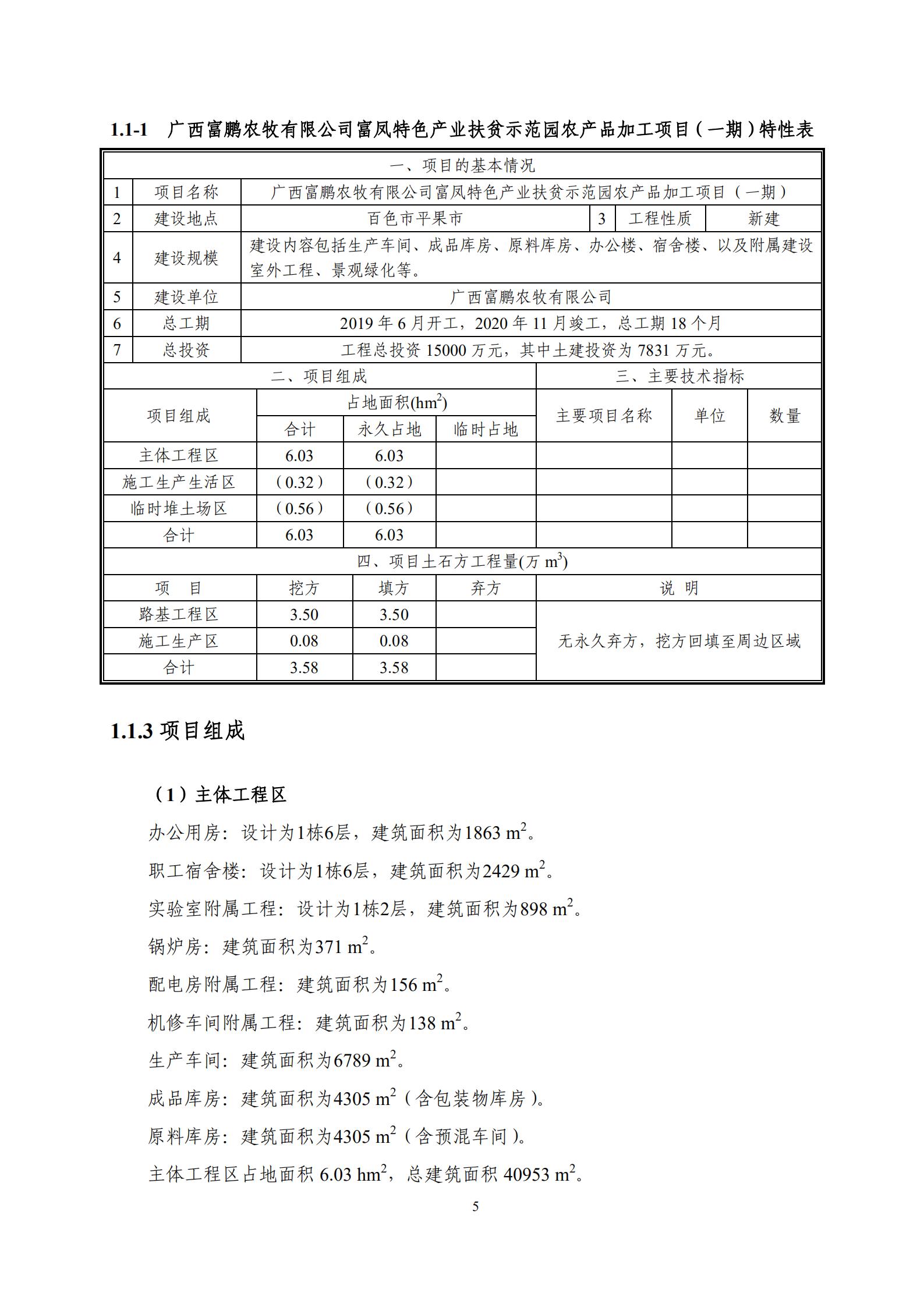
广西富鹏农牧有限公司成人看片APP特色产业扶贫示范园农成人看片软件大全加工项目(一期)水土保持监测总结报告
- 分类:成人看片免费APP中心
- 作者:刘举祥
- 来源:
- 发布时间:2021-01-20
- 访问量:0
广西富鹏农牧有限公司成人看片APP特色产业扶贫示范园农成人看片软件大全加工项目(一期)水土保持监测总结报告
【概要描述】
- 分类:成人看片免费APP中心
- 作者:刘举祥
- 来源:
- 发布时间:2021-01-20
- 访问量:0
详情






































扫二维码用手机看